• Биполярные транзисторы
  • Модели, предназначенные для расчета смещения
  • Условия насыщения
  • Расчет смещения для германиевого транзистора
  • Малосигнальная модель с h-параметрами для биполярных транзисторов
  • Анализ схем с общим эмиттером, использующий модель с h-параметрами
  • Анализ схем с общим коллектором, использующий модель с h-параметрами
  • Анализ схем с общей базой, использующий модель с h-параметрами
  • Анализ схем для других конфигураций
  • Анализ цепей с использованием теоремы Миллера
  • Дуальная теорема Миллера
  • Схема с общим коллектором, включающая коллекторный резистор
  • Усилители с высоким входным сопротивлением
  • Двухкаскадные усилители
  • Упрощенная модель с h-параметрами
  • Анализ усилителя с общим эмиттером, использующий упрощенную модель с h-параметрами
  • Транзисторные усилители на полевых транзисторах
  • Усилители с общим стоком на полевых транзисторах с внешним резистором стока
  • Частотная характеристика усилителя на полевых транзисторах
  • Модель биполярного транзистора для высоких частот
  • Эмиттерный повторитель при работе на высоких частотах
  • Чувствительность по постоянному току
  • Чувствительность по току смещения
  • Библиотека элементов PSpice
  • Чувствительность биполярных транзисторов из библиотеки PSpice
  • Обзор новых команд PSpice, применяемых в данной главе
  • Команды, начинающиеся с точки, используемые в данной главе
  • Задачи 
  • 3. Транзисторные схемы

    SPICE имеет встроенные модели для биполярных и полевых транзисторов. Эти модели сложнее, чем модели, используемые в традиционных курсах электроники. Обычно студенты изучают схемы смещения и схемы усиления отдельно. Такое построение материала позволяет дать студенту более полное понимание методики расчета цепей постоянного тока и анализа на переменном токе для биполярных и полевых транзисторов. Поэтому сначала лучше не использовать встроенные модели при анализе транзисторных схем. Вместо этого мы будем применять упрощенную модель для прямосмещенного транзистора на постоянном токе.

    Биполярные транзисторы

    Биполярные транзисторы (BJT) — первая тема, изучаемая в этой главе. На рис. 3.1 показана типичная схема смещения транзистора. Транзисторы типа npn кремниевые (Si) имеют коэффициент усиления в схеме с общим эмиттером (ОЭ) hFE=80 и напряжение база-эмиттер VBE=0,7 В (типовые значения для активной области). Никакая иная информации о транзисторе при анализе не используется. Параметры элементов схемы: R1=40 кОм; R2=5 кОм; RC=1 кОм, RE=100 Ом и VCC=12 В.

    Рис. 3.1. Типовая схема смещения транзисторов

    Модели, предназначенные для расчета смещения

    Чтобы использовать анализ на PSpice, мы предлагаем вам разработать подходящую модель для BJT. Она позволит вам находить статические значения напряжений и токов в схеме смещения. На рис. 3.2 показана такая модель наряду с другими компонентами, необходимыми для анализа. Она содержит источник тока, управляемый током (ИТУТ или CDCS), F с коэффициентом передачи hFE и независимый источник напряжения VA, моделирующий напряжение на активной области VBE.

    Рис. 3.2. Модель смещения для биполярного npn-транзистора


    Входной файл для этой схемы имеет вид:

    Transistor-Biasing Circuit

    VCC 4 0 12V

    VA 1 2 0.7V

    F 3 2 VA 8

    R1 4 1 40k

    R2 1 0 5k

    RC 4 3 1k

    RE 2 0 100

    .OP

    .OPT nopage

    .END

    Выполните анализ на PSpice; затем убедитесь, что V(3)=7,961 В и V(2)=0,4089 В, давая VCE=V3-V2=7,552 В. Нарисуйте на схеме стрелки, указывающие условные направления токов, затем вычислите ток коллектора:

    Он должен быть равен 4,039 мА. А чему равен ток базы? Вы должны получить по току источника напряжения IВ=50,49 мкА. Вычислите IВ, используя значение hFE и сравните полученное значение с этим ответом. Вычислите ток эмиттера: IE= V2/RE. Он должен быть равен 4,089 мА, IЕ=IB+IС

    Если вас интересует получение токов непосредственно из результатов PSpice-анализа, вы можете использовать, как и ранее, команду печати с предварительной командой .DC, как показано в следующем входном файле: 

    Transistor -Biasing Circuit with Current Shown in Output File

    VCC 4 0 12V

    VA 1 2 0.7V

    F 3 2 VA 80

    R1 4 1 40k

    R2 1 0 5k

    RC 4 3 1k

    RE 2 0 100

    .DC VCC 12V 12V 12V

    .OP

    .OPT nopage

    .PRINT DC I(RC) I(RE) V(3,2)

    .END

    При этом должно получиться I(RC) = 4,039 мА, I(RE) = 4,089 мА и V(3,2) = = 7,552 В, как и в предварительных вычислениях. Обратите внимание: вычислить токи при первом анализе было достаточно легко. Не слишком больших дополнительных усилий требует получение тока и при анализе на PSpice, однако у вас есть выбор.

    Условия насыщения

    Необходимо предварительное замечание перед исследованием условий смещения, приводящих к насыщению транзистора. Из теоретического курса, посвященного изучению транзисторов, вы должны вспомнить, что значения hFE в активной области и в области насыщения неодинаковы. Это означает, что если происходит насыщение, предсказанное значение IC, вычисленное с использованием hFE, для активной области будет слишком велико. Вы должны иметь в виду, что если рассчитанное значение VCE падает ниже нескольких десятых вольта, значит достигнуто условие насыщения. Несколько задач в конце главы касаются вопросов смещения транзистора, приводящих к работе в активной области или в области насыщения.

    Мы представили модель смещения для кремниевого npn-транзистора. Эта модель может использоваться с различными конфигурациями смещения и многокаскадными усилителями. А можете ли вы самостоятельно изменить модель так, чтобы она стала пригодной для анализа:

    а) кремниевых pnp-транзисторов;

    б) германиевых pnp-транзисторов?

    Расчет смещения для германиевого транзистора

    В качестве другого примера на рис. 3.3 показана схема смещения для германиевого pnp-транзистора с hFE=60 и VBE=-0,2 В. Значения параметров элементов схемы: RF=50 кОм; RE=50 Ом; RC=1 кОм и VCC=-12 В. Заменив транзистор моделью PSpice, мы получим схему на рис. 3.4. Сравните изменения в ИТУТ по отношению к предыдущему примеру. Так как это pnp-транзистор, изменилось направление стрелки внутри источника. Теперь решите, какую информацию вы хотели бы получить из PSpicе-анализа. Входной файл может быть, например, таким:

    Transistor -Biasing Circuit for pnp Ge

    VCC 4 0 12

    VA 1 2 0.2

    F 1 3 VA 60

    RF 2 3 50k

    RE 1 0 50

    RC 3 4 1k

    .DC VCC 12V 12V 12V

    .OP

    .OPT nopage

    .PRINT DC I(RC) I(RE) I(RF)

    .END

    Рис. 3.3. Схема смещения для германиевого pnp-транзистора


    Рис. 3.4. Модель смещения для германиевого pnp-транзистора


    Проведите анализ; затем нарисуйте стрелки, показывающие условные направления токов для pnp-транзистора. Убедитесь, что IE=6,311 мА, а IВ=103,5 мкА. Почему некоторые из показанных токов резистора положительны, а другие отрицательны? Это необходимо согласовывать с порядком следования узлов в командах, вводящих R. Например, команда

    RE 1 0 50

    дает отрицательный ток I(RE). Это происходит потому, что ток в RE фактически течет от узла 0 к узлу 1. Внимательно следите за соответствием направления стрелок на схеме и порядком следования узлов в командах, вводящих резисторы во входном файле:

    Transistor-Biasing Circuit for pnp Ge

    VCC 0 4 12

    VA 1 2 0.2

    F 1 3 VA 60

    RF 2 3 50k

    RE 1 0 50

    RC 3 4 1k

    .DC VCC 12 12 12

    .PRINT DC I(RC) I(RE) I(RF)

    .OP

    .OPT nopage

    .END

    Обратите внимание, что ток в RC на самом деле, скорее представляет собой ток эмиттера, чем ток коллектора. Вы понимаете почему? Ток коллектора показывается в выходном файле PSpice как ток источника тока, управляемого током, равный 6,208 мА. Сложите базовый ток с током коллектора и сравните сумму с током эмиттера.

    Малосигнальная модель с h-параметрами для биполярных транзисторов

    Точной моделью для биполярных транзисторов, широко используемой при анализе на малых сигналах, является модель в h-параметрах, показанная на рис. 3.5. Эта модель с соответствующими значениями используется для анализа схем с общим эмиттером (ОЭ), общим коллектором (ОК) или общей базой (ОБ). Наша задача состоит в том, чтобы разработать версию этой модели, пригодную для использования в PSpice. Эта модель содержит ИТУТ для использования с hf и управляемого напряжением источника напряжения (ИНУН) для использования с hr. В модель на рис. 3.6 введен резистор RI для моделирования hi, E, чтобы определить hr, RO в качестве 1/h0, и F, чтобы определить hf.

    Рис. 3.5. Модель в h-параметрах для транзистора


    Рис. 3.6. Модель схемы с ОЭ, пригодная для анализа на PSpice

    Анализ схем с общим эмиттером, использующий модель с h-параметрами

    На рис. 3.7 приведена типовая схема усилителя с общим эмиттером (ОЭ), предназначенная для анализа. Более сложные схемы можно часто привести к этой форме, используя различные теоремы и методы упрощения. Заданы параметры элементов схемы: VS=1 мВ, RS=1 Ом, Ri=1,1 кОм (hie), hr=2,5·10-4 (коэффициент используется в Е), hf=50 (коэффициент используется в F), R0=40 кОм=1/h0, и RL=10 кОм. Источник V0=0 В необходим, чтобы создать независимый источник для команды ввода F.

    Рис. 3.7. Модель схемы с общим эмиттером в h-параметрах, включающая источник питания и нагрузку


    Хотя нас интересуют свойства схемы на малых сигналах, мы не будем использовать анализ для переменного тока. Причина состоит в том, что пока мы имеем дело с установившимися состояниями для малых сигналов переменного тока и в схеме отсутствуют реактивные элементы, мы можем использовать анализ PSpice на постоянном токе относительно амплитуд или действующих значений токов и напряжений. Программа PSpice не воспринимает разницы! В то же время вы должны понимать, что программа дает результаты для малых сигналов переменного тока и никак не учитывает постоянных напряжений и токов смещения.

    Конечно, мы полагаем, что рабочая точка была выбрана правильно и работа происходит в активной области. Входной файл для анализа имеет вид: 

    Small Signal Analysis of Transistor Circuit Using h Parameters

    VS 1 0 1mV

    V0 3 3A 0

    E 3A 0 4 0 2.5E-4

    F 4 0 V0 50

    RS 1 2 1k

    R1 2 3 1.1k

    R0 4 0 40k

    RL 4 0 10k

    .OP

    .OPT nopage

    .TF V(4) VS

    .END

    Выполните анализ и распечатайте выходной файл для дальнейшего изучения. Убедитесь, что Ib=0,5 мкА; Iс=20 мкА (вычисляется как (V)4/RL); полный коэффициент усиления по напряжению -200 (вычисляется как V(4)/VS); Ri=2 кОм и R0=8,4 кОм.

    Поскольку Ri включает RS, каково входное сопротивление со стороны базы транзистора? Это Ri-Rs=1 кОм. Также, поскольку R0, включает RL, что является выходным сопротивлением со стороны коллектора (не включая RL)? Найдем его, используя проводимости: 1/R0=1,1905×10-4; вычтем из этой величины 1/RL=1×10-4, что даст 1/R'0=0,1905×10-4. Таким образом, R'0=52,5 кОм.

    Коэффициент передачи по напряжению от базы на коллектор V(4)/V(2)=–400. Коэффициент усиления по току Ai=IL/IB=-20μkА/0,5μkА=-40. Выходной файл приведен на рис. 3.8.

    Small-Signal Analysis of Transistor Circuit Using h Parameters

    **** CIRCUIT DESCRIPTION

    VS 1 0 1mV

    V0 3 3A 0

    E 3A 0 4 0 2,5E-4

    F 4 0 V0 50

    RS 1 2 1k

    RI 2 3 1.1k

    R0 4 0 40k

    RL 4 0 10k

    .OP

    .OPT nopage

    .TF V(4) VS

    .END

    SMALL SIGNAL BIAS SOLUTION TEMPERATURE = 27.000 DEG С

    NODE  VOLTAGE NODE VOLTAGE   NODE  VOLTAGE   NODE  VOLTAGE

    ( 1)  .0010   ( 2) 500.0E-06 ( 3) -50.00E-06 ( 4) -.2000

    ( 3A) -50.00E-06

    VOLTAGE SOURCE CURRENTS

    NAME CURRENT

    VS  -5.000E-07

    V0   5.000E-07

    TOTAL POWER DISSIPATION 5.00E-10 WATTS

    **** OPERATING POINT INFORMATION TEMPERATURE = 27.000 DEG С

    **** VOLTAGE-CONTROLLED VOLTAGE SOURCES

    NAME      E

    V-SOURCE -5.000E-05

    I-SOURCE  5.000E-07

    **** CURRENT-CONTROLLED CURRENT SOURCES

    NAME     F

    I-SOURCE 2.500E-05

    **** SMALL-SIGNAL CHARACTERISTICS

    V(4)/ VS = -2.000E+02

    INPUT RESISTANCE AT VS = 2.000E+03

    OUTPUT RESISTANCE AT V(4) = 8.400E+03

    Рис. 3.8. Выходной файл анализа для схемы на рис. 3.7


    Подводя итог, заметим, что анализ PSpice избавил вас от ряда вычислений, но без понимания направлений токов и полярностей напряжений ваше решение будет не завершено. Вы должны понимать, что теория h-параметров сочетается здесь с моделью PSpice, которую мы разработали. Необходимо помнить, что определение h-параметров зависит от конфигурации схемы.

    Некоторые авторы используют другие модели, не основанные на h-параметрах. Часто они являются более простыми, но менее точными. Однако у вас будет меньше проблем при анализе, чем в рассмотренном и в ряде последующих примеров.

    В задаче на рис. 3.14 принят именно такой упрощенный вариант модели, и она служит введением в эту тему. Относительно просто разработать модели для схем ОБ и ОК. 

    Анализ схем с общим коллектором, использующий модель с h-параметрами

    Другой широко используемой схемой является схема с общим коллектором (ОК), показанная на рис. 3.9. Снова, как и в предыдущем примере, мы рассматриваем базовую схему, к которой с помощью теоремы Тевенина и других методов упрощения схем могут быть сведены более сложные задачи. Входной сигнал подан через RS на базу транзистора, а выходной снимается с эмиттера. На рис. 3.10 показана схема с моделью транзистора в h-параметрах. Схема почти идентична модели на рис. 3.7, но в ней должны использоваться h-параметры для схемы ОК. Это обеспечивается следующим входным файлом:

    Common-Collector Circuit Analysis with h Parameters

    VS 1 0 1mV

    V0 3 3A 0

    E 3A 0 4 0 1

    F 4 0 V0 -51

    RS 1 2 1k

    RI 2 3 1.1k

    RO 4 0 40k

    RL 4 0 10k

    .OP

    .OPT nopage

    .TF V (4) VS

    .END

    Рис. 3.9. Транзисторный усилитель с общим коллектором


    Рис. 3.10. Модель схемы с общим коллектором в h-параметрах, включающая источник питания и нагрузку


    Выполните анализ на PSpice и убедитесь, что V(4)/VS=0,9949; IL=0.949Е-8; Ib=2.438Е-9; AI=IL/Ib=40,8; R'0=40,97 Ом (включая RL) и R'i=410 кОм (включая Rs). Определите входное сопротивление со стороны базы и выходное сопротивление без учета RL. Они должны быть следующими: Ri=409,1 кОм и R0=41,14 Ом. Покажите направления токов на схеме и отметьте точки для определения входного и выходного сопротивлений. Обратите внимание, что коэффициент усиления по напряжению почти равен 1 без инвертирования фазы. Коэффициент усиления по току также не показывает инвертирования фазы. 

    Анализ схем с общей базой, использующий модель с h-параметрами

    В схеме с общей базой, показанной на рис. 3.11, используются те же значения для навесных компонентов, что и в предыдущих примерах. На рис. 3.12 приведена схема с h-параметрами. При использовании типичных h-параметров для схемы ОБ, входной файл примет вид:

    Common-Base Circuit Analysis with h Parameters

    VS 1 0 1mV

    V0 3 3A 0

    E 3A 0 4 0 2.9Е-4

    F 4 0 V0 -0.98

    RS 1 2 1k

    RI 2 3 21.6

    RO 4 0 2.0 4MEG

    RL 4 0 10k

    .OP

    .OPT nopage .TF V(4) VS

    .END


    Рис. 3.11. Схема транзисторного усилителя с общей базой 


    Рис. 3.12. Модель схемы с общей базой в h-параметрах, включающая источник питания и нагрузку


    Выполните анализ и убедитесь, что AI=9,52; IL=0,95 мкА; Ie=0,976 мкА; R'i=1024 Ом и R'0=9,924 Ом. Определите Ri со стороны эмиттера и R0 без учета RL. Они должны быть Ri=24 Ом и R0=1,3 МОм. Покажите, что коэффициент передачи напряжения с эмиттера на коллектор равен AV=406.

    На рис. 3.13 показан выходной файл PSpice для этого примера. Лишние строки были удалены из файла до распечатки.

    *** 06/22/99 14:10:18 *********** Evaluation PSpice (Nov 1998)

    Common-Base Circuit Analysis with h Parameters

    **** CIRCUIT DESCRIPTION

    VS 1 0 1mV

    VO 3 3A 0

    E 2A 0 4 0 2.9E-4

    F 4 0 VO -0.98

    RS 1 2 1k

    RI 2 3 21.6

    RO 4 0 2.04MEG

    RL 4 0 10k

    .OP

    .OPT nopage

    .TF V(4)

    VS .END

    NODE  VOLTAGE NODE VOLTAGE   NODE VOLTAGE   NODE VOLTAGE

    ( 1)  .0010   ( 2) 23.85E-06 ( 3) 2.761E-06 ( 4) .0095

    ( 3A) 2.761E-06

    VOLTAGE SOURCE CURRENTS

    NAME CURRENT

    VS  -9.762E-07

    V0   9.762E-07

    TOTAL POWER DISSIPATION 9.76E-10 WATTS

    **** VOLTAGE-CONTROLLED VOLTAGE SOURCES

    NAME

    V-SOURCE 2.761E-06

    I-SOURCE 9.762E-07

    **** CURRENT-CONTROLLED CURRENT SOURCES

    NAME      F

    I-SOURCE -9.566E-07

    **** SMALL-SIGNAL CHARACTERISTICS

    V(4/VS) = 9.520Е-10

    INPUT RESISTANCE AT VS = 1.024E+03

    OUTPUT RESISTANCE AT V(4) = 9.924E+03

    Рис. 3.13. Выходной файл при исследовании схемы на рис. 3.12


    Итак, мы рассмотрели три базовые конфигурации транзисторных усилителей с общим эмиттером: ОЭ, ОК и ОБ. Для каждой из них получена модель, пригодная для анализа на PSpice. Мы использовали h-параметры, типичные для каждой конфигурации. Для анализа конкретных типов транзисторов необходимо иногда использовать другие значения параметров, которые можно найти в справочных данных на транзисторы.

    Анализ схем для других конфигураций

    Когда транзисторные схемы не упрощаются до базовых моделей (рис. 3.7, 3.10 и 3.12), необходимо соблюдать осторожность при размещении элементов между узлами, например, для резистора, включенного между коллектором и базой в схеме с ОК (рис. 3.14).

    Рис. 3.14. Схема усилителя с ОЭ с резистором обратной связи

    Анализ цепей с использованием теоремы Миллера

    Как показывает теория электронных схем, включение шунтирующих резисторов является простым средством для изменения коэффициента усиления. Резистор часто заменяется двумя другими резисторами при использовании теоремы Миллера. Если вы знакомы с теоремой Миллера, используйте ее, чтобы решить эту задачу вручную, что полезно перед проведением дальнейшего анализа. При использовании PSpice нет необходимости применять теорему Миллера. При наличии шунтирующего резистора в схеме h-параметры модели аналогичны показанным на рис. 3.15. Анализ на PSpice почти идентичен стандартному анализу схемы ОЭ.

    Рис. 3.15. Модель усилителя ОЭ в h-параметрах с резистором связи


    Входной файл становится следующим: 

    Common-Emitter Circuit with Bridging Resistor

    VS 1 0 1mV

    VO 3 3A 0

    E 3A 0 4 0 2.5Е-4

    F 4 0 VO 50

    RS 1 2 10k

    RI 2 3 1.1k

    RO 4 0 40k

    RL 4 0 10k

    RI 2 4 200k .OP

    .OPT nopage

    .TF V(4) VS

    .END

    Выполните анализ и получите выходной файл для сравнения с предыдущими результатами анализа схемы ОЭ. Проверьте значения параметров: AV=V(4)/VS=-12,7 (коэффициент передачи напряжения от источника к нагрузке); IL=-1,27 мкА и Ib=-33,02 нА, что приводит к коэффициенту усиления по току AI=IL/Ib=-38,46. Из полного входного сопротивления R'i=10,34 кОм вычислим входное сопротивление со стороны базы, а из полного выходного сопротивления R'0=2,834 кОм вычислим выходное сопротивление без учета RL. Они должны составлять Ri=340 Ом и R0=3,95 кОм. Если вы решили эту задачу с использованием теоремы Миллера, то сможете оценить, насколько проще получение того же результата при использовании PSpice. Чтобы не допустить ошибок при решении методом Миллера, необходимо быть очень внимательным.

    Сравните результаты этого анализа с результатами для базового усилителя ОЭ (без шунтирующего резистора). Обратите внимание, что включение резистора вызывает увеличение входного и выходного сопротивлений. На рис. 3.16 приведен выходной файл.

    Common-Emitter Circuit with Bridging Resistor **** CIRCUIT DESCRIPTION

    VS 1 0 1mV

    VO 3 2A 0

    E 3A 0 4 0 2.5Е-4

    F 4 0 V0 50

    RS 1 2 10k

    RI 2 3 1.1k

    RO 4 0 40k

    RL 4 0 10k

    R1 2 4 200k

    .OP

    .OPT nopage

    .TF V(4) VS

    .END

    NODE VOLTAGE 1(1) .0010 ( ( 3A1-3.175E-06

    L VOLTAGE 2) 33.15E-06

    NODE VOLTAGE ( 3) -3.175E-06

    NODE VOLTAGE ( 4) -.0127

    VOLTAGE SOURCE CURRENTS NAME CURRENT

    VS

    VO

    -9.669E-( 3.302E-(

    TOTAL POWER DISSIPATION 9.67E-11 WATTS

    **** OPERATING POINT INFORMATION TEMPERATURE = 27.000 DEG С

    **** VOLTAGE-CONTROLLED VOLTAGE SOURCES

    NAME      E

    V-SOURCE -3.175E-06

    I-SOURCE  3.302E-08

    **** CURRENT-CONTROLLED CURRENT SOURCES

    NAME I-SOURCE 1.651E-06

    **** SMALL-SIGNAL CHARACTERISTICS

    V(4)/VS = -1.270E+01

    INPUT RESISTANCE AT VS = 1.034E+04

    OUTPUT RESISTANCE AT V(4) = 2.534E+03

    Рис. 3.16. Результаты анализа схемы на рис. 3.15

    Дуальная теорема Миллера

    Схемы другой конфигурации часто анализируются с использованием дуальной теоремы Миллера. На рис. 3.17 эмиттерный резистор Rе заменен двумя другими резисторами (один последовательно с базой, другой последовательно с коллектором). Если вы знакомы с этой методикой, используйте ее для решения этого примера, чтобы оценить ее преимущества. Затем сравните результаты с полученными при использовании PSpice.

    Рис. 3.17. Усилитель ОЭ с резистором эмиттера


    При анализе на PSpice вы не должны заменять Re. Схема, использующая модель в h-параметрах, показана на рис. 3.18. Входной файл имеет следующий вид:

    Common-Emitter Amplifier with Emitter Resistor

    VS 1 0 1mV

    V0 3 3A 0

    E 3A 4 5 4 2.5E-4

    F 5 4 V0 50

    RS 1 2 1k

    RI 2 3 1.1k

    RO 5 4 4 0k

    RL 5 0 10k

    RE 4 0 330

    .OP

    .OPT nopage

    .TF V(5) VS

    .END

    Рис. 3.18. Модель усилителя ОЭ с резистором в цепи эмиттера для анализа на PSpice


    Выполните анализ, получите распечатку выходного файла и убедитесь, что полный коэффициент усиления по напряжению: AV=V(5)/VS=-25,74; R'i=15,44 кОм и R'0=9,752 кОм. Вычислите и проверьте также параметры: AV (со стороны базы)=27,5; AI=IL/Ib=39,7; Ri=14,44 кОм (со стороны базы) и R0=393 кОм (без учета RL).

    При этом анализе особый интерес представляет влияние Re на Ri и R0: Ri находится путем умножения на коэффициент (1+hfe)Re. Коэффициент усиления по напряжению обычно приблизительно соответствует выражению RL/RE. Выясните, насколько точно это для данного примера. На рис. 3.19 показан выходной файл.

    Common-Emitter Amplifier with Emitter Resistor

    **** CIRCUIT DESCRIPTION

    VS 1 0 1mV

    V0 3 3A 0

    E 3A 4 5 4 2.5E-4

    F 5 4 V0 50

    RS 1 2 1k

    RI 2 3 1.1k

    RO 5 4 40k

    RL5 0 10k

    RE 4 0 330

    .OP

    .OPT nopage

    . TF V(5) VS

    .END

    NODE VOLTAGE NODE  VOLTAGE   NODE VOLTAGE   NODE VOLTAGE

    ( 1) 0.010   ( 2)  935.2E-06 ( 3) 864.0E-06 ( 4) 670.6E-06

    ( 5) -.0257  ( 3A) 864.0E-06

    VOLTAGE SOURCE CURRENTS

    NAME CURRENT

    VS   -6.477E-08

    V0    6.477E-08

    TOTAL POWER DISSIPATION 6.48E-11 WATTS

    **** VOLTAGE-CONTROLLED VOLTAGE SOURCES

    NAME      E

    V-SOURCE -6.651E-06

    I-SOURCE  6.477E-08

    CURRENT-CONTROLLED CURRENT SOURCES

    NAME

    I-SOURCE 3.239E-06

    **** SMALL-SIGNAL CHARACTERISTICS

    V(5)/VS = -2.574E+01

    INPUT RESISTANCE AT VS = 1.544E+04

    OUTPUT RESISTANCE AT V(5) = 3.752Е+03

    Рис. 3.19. Выходной файл с результатами анализа схемы на рис. 3.18

    Схема с общим коллектором, включающая коллекторный резистор

    Другая схема, представляющая интерес, является разновидностью обычной схемы с ОК. Она содержит внешний коллекторный резистор, добавленный для защиты транзистора от короткого замыкания резистора в цепи эмиттера. Этот вариант схемы приведен на рис. 3.20, а модель PSpice показана на рис. 3.21. Если вы хотите анализировать эту схему вручную, присутствие RC представляет проблему, которая могла бы потребовать применения дуальной теоремы Миллера.

    Рис. 3.20. Схема усилителя ОК с резистором в цепи коллектора


    Рис. 3.21. Модель усилителя OK с резистором в цепи коллектора для анализа на PSpice


    Обращение к формулам утомительно и не слишком способствует пониманию работы схемы. Рассмотрите входной файл, затем сравните результаты выходного файла с полученными для усилителя без RC.

    Common-Collector Circuit with Collector Resistor

    VS 1 0 1mV

    V0 3 3A 0

    E 3A 4 5 4 1

    P 5 4 V0 -51

    RS 1 2 1k

    RI 2 3 1.1k

    RC 4 0 1k

    RO 5 4 40k

    RL 5 0 10k .OP

    .OPT nopage

    .TF V(5) VS

    .END

    Выполните анализ и сравните результаты с теми, что получены для простого усилителя ОК. Вы увидите, что коэффициент усиления по напряжению почти идентичен в обоих случаях и что входное и выходное сопротивления изменяются также немного. Мы установили, что введение RC в схему почти не влияет на ее работу.

    Усилители с высоким входным сопротивлением

    Если вам необходим усилитель с высоким входным сопротивлением, можно применить схему Дарлингтона (рис. 3.22). Эта схема состоит из двух транзисторов с объединенными коллекторами, размещаемых часто в одном корпусе. Можно считать, что в цепь эмиттера первого каскада включен бесконечно большой внешний резистор Re1=∞. Использование модели с h-параметрами для каскадов ОК приводит к модели, показанной на рис. 3.23, которой соответствует входной файл:

    Darlington-Pair (High-Input-Resistance) Amplifier

    VS 1 0 1mV

    V01 3 3A 0

    V02 5 5A 0

    E1 3A 0 4 0 1

    Е2 5А 0 6 0 1

    F1 4 0 V01 -51

    F2 6 0 V02 -51

    RS 1 2 1k

    RI1 2 3 1.1k

    RO1 4 0 40k

    RI2 4 5 1.1k

    RO2 6 0 40k

    RL 6 0 4k

    .OP

    .OPT nopage

    .IF V(6) VS

    .END

    Рис. 3.22. Применение схемы Дарлингтона для получения высокого входного сопротивления


    Рис. 3.23. Модель с h-параметрами для схемы Дарлингтона


    Выполните анализ и убедитесь, что коэффициент усиления по напряжению V(6)/VS=0,9929; R'i=1,682 МОм и R'0=22,24 Ом. Из вычислений следует, что R'i=1,681 МОм относительно базы первого транзистора Q1 и что R0=22,36 Ом (без учета RL). Также найдите параметр AI=IL/Ib=417,5, который намного выше, чем для однокаскадного усилителя ОК. В этом анализе мы считали, что h-параметры для обоих каскадов одни и те же. В действительности, токи смещения первого каскада меньше, чем у второго. На рис. 3.24 показан выходной файл.

    **** 06/22/99 14:59:01 *********** Evaluation PSpice (Nov 1998) **************

    Darlington-Pair (High-Input Resistance) Amplifier

    **** CIRCUIT DESCRIPTION

    VS 1 0 1mV

    V01 3 3A 0

    V02 5 5A 0

    E1 3A 0 4 0 1

    Е2 5А 0 6 0 1

    F1 4 0 V01 -51

    F2 6 0 V02 -51

    RS 1 2 1k

    RI1 2 3 1.1k

    RO1 4 0 40k

    RI2 4 5 1.1k

    RO2 6 0 40k

    RL 6 0 4k

    .OP

    .OPT nopage

    .TF V(6) VS

    .END

    NODE VOLTAGE   NODE VOLTAGE   NODE  VOLTAGE   NODE  VOLTAGE

    ( 1) .0010     ( 2) 999.4E-06 ( 3)  998.8E-06 ( 4)  998.8E-06

    ( 5) 992.9E-06 ( 6) 992.9E-06 ( 3A) 998.8E-06 ( 5A) 992.9E-06

    VOLTAGE SOURCE CURRENTS

    NAME CURRENT

    VS  -5.946E-10

    V01  5.946E-10

    V02  5.354E-09

    TOTAL POWER DISSIPATION 5.95E-13 WATTS

    **** VOLTAGE-CONTROLLED VOLTAGE SOURCES

    NAME     E1        E2

    V-SOURCE 9.988E-04 9.929E-04

    I-SOURCE 5.946E-10 5.354E-09

    **** CURRENT-CONTROLLED CURRENT SOURCES

    NAME      F1         F2

    I-SOURCE -3.032E-08 -2.730Е-07

    **** SMALL-SIGNAL CHARACTERISTICS

    V(6)/VS = 9.929E-01

    INPUT RESISTANCE AT VS = 1.682E+06

    OUTPUT RESISTANCE AT V(6) = 2.224E+01

    Рис. 3.24. Выходной файл при анализе схемы Дарлингтона

    Двухкаскадные усилители

    При использовании PSpice расчет двухкаскадных усилителей очень прост, и результат получается быстрее, чем при расчете с использованием формул, который утомителен и требует сосредоточенности, чтобы не допустить ошибки. Понимая основные принципы анализа усилителя, вы можете без колебаний использовать PSpice для анализа многокаскадных схем. В качестве иллюстрации рассмотрим двухкаскадный усилитель, содержащий каскады с ОЭ и ОК, показанный на схеме рис. 3.25.

    Рис. 3.25. Двухкаскадный усилитель с каскадами ОЭ и ОК 


    Входной сигнал подается на базу первого транзистора. Выходной сигнал первого каскада подается с коллектора непосредственно на базу транзистора второго каскада, выходной сигнал которого снимается с эмиттерного резистора. На рис. 3.26 показаны h-параметры, которые несколько отличаются от приведенных в предшествующих примерах. Входной файл имеет следующий вид:

    Two-Stage Amplifier; СЕ and СС Stages

    VS 1 0 1mV

    V01 3 3A 0

    V02 5 5А 0

    E1 3A 0 4 0 6Е-4

    F1 4 V01 50

    Е2 5А 0 6 0 1

    F2 6 0 V02 -51

    RS 1 2 1k

    RI1 2 3 2k

    RO1 4 0 40k

    RC1 4 0 5k

    RI2 4 5 2k

    RO2 6 0 40k

    RE 2 6 0 5k

    .OP nopage

    .ОРТ

    .TF V(6) VS

    .END

    Рис. 3.26. Двухкаскадный усилитель с каскадами ОЭ и ОК


    После выполнения анализа убедитесь, что полный коэффициент усиления по напряжению V(6)/VS=-75,31; AI=IL/Ib1=-43,2 и Ri=1,869 кОм (со стороны базы Q1), и R0=130 Ом. На рис. 3.27 показан выходной файл.

    **** 09/15/05 17:02:35 ******** Evaluation PSpice (Nov 1999) *********

    Two-Stage Amplifier;СЕ and CC Stages

    VS 1 0 1mV

    V01 3 3A 0

    V02 5 5A 0

    E1 3A 0 4 0 6E-4

    F1 4 0 V01 50

    E2 5A 0 6 0 1

    F2 6 0 V02 -51

    RS 1 2 1k

    RI1 2 3 2k

    RO1 4 0 40k

    RC1 4 0 5k

    RI2 4 5 2k

    RO2 6 0 40k

    RE2 6 0 5k

    .OP

    .OPT nopage

    .TF V(6) VS

    .END

    NODE  VOLTAGE NODE VOLTAGE   NODE   VOLTAGE   NODE   VOLTAGE

    ( 1)  .0010  ( 2)  651.5E-06 ( 3)  -45.58E-06 ( 4)  -.0760

    ( 5) -.0753  ( 6) -.0753     ( 3A) -45.58E-06 ( 5A) -.0753

    VOLTAGE SOURCE CURRENTS

    NAME CURRENT

    VS  -3.485E-07

    V01  3.485E-07

    V02 -3.322E-07

    TOTAL POWER DISSIPATION 3.49E-10 WATTS

    **** VOLTAGE-CONTROLLED VOLTAGE SOURCES

    NAME      E1         E2

    V-SOURCE -4.558E-05 -7.531E-02

    I-SOURCE  3.485E-07 -3.322E-07

    **** CURRENT-CONTROLLED CURRENT SOURCES

    NAME     F1        F2

    I-SOURCE 1.743E-05 1.694E-05

    **** SMALL-SIGNAL CHARACTERISTICS

    V(6)/VS = -7.531E+01

    INPUT RESISTANCE AT VS = 2.869E+03

    OUTPUT RESISTANCE AT V(6) = 1.267E+02

    Рис. 3.27. Результаты анализа схемы на рис. 3.26 на PSpice

    Упрощенная модель с h-параметрами

    Предыдущие примеры были основаны на полной модели в h-параметрах для транзистора, которая обычно используется для анализа при малом низкочастотном сигнале. Для анализа ряда транзисторных схем можно использовать также упрощенную модель в z-параметрах. В этой модели используются только параметры hfe и hie, другие h-параметры опущены. При использовании упрощенной модели на PSpice результаты получаются менее точными. Ошибка часто достигает 10% и более.

    Тем не менее приведем анализ с упрощенной моделью для усилителя ОЭ, чтобы показать, что этот инструмент также доступен. Не забудьте, что значения hfe и hie используются для всех трех конфигураций схем с ОЭ, ОБ и ОК.

    Анализ усилителя с общим эмиттером, использующий упрощенную модель с h-параметрами

    На рис. 3.28 показана упрощенная модель для использования в PSpice, на рис. 3.29 — схема ОЭ, использующая эту модель. Входной файл для анализа приведен далее: 

    Simplified h-Parameter Analysis

    VS 1 0 1mV

    VO 3 0 0V

    F 4 0 VO 50

    RS 1 2 1k

    RI 2 3 1.1K

    RL 4 0 10K

    .OP
     

    .OPT nopage

    .TF V(4) VS

    .END

    Рис. 3.28. Упрощенная модель в z-параметрах


    Рис. 3.29. Схема усилителя ОЭ, использующая упрощенную модель в z-параметрах


    Вы можете легко предсказать результаты этого анализа, воспользовавшись ручным расчетом. Сравните ваши предсказания с ответами, полученными на PSpice.

    Транзисторные усилители на полевых транзисторах

    Усилитель на полевом транзисторе (FET) зачастую достаточно прост и не требует компьютерного анализа. Однако в тех случаях, когда в схеме имеются дополнительные резисторы (Rd или Rs), расчет усложняется. Наш первый пример относится к усилителю с общим истоком на FET с выходным сигналом, снимаемым с резистора Rd, включенного в цепь стока. В цепь истока включено дополнительное сопротивление — Rs. На рис. 3.30 показана схема усилителя, на рис. 3.31 — модель. На основе сведений о полевых транзисторах, полученных в теоретическом курсе, предскажите, какими будут коэффициент усиления по напряжению и ток нагрузки.

    Рис. 3.30. Схема с общим стоком с Rs


    Рис. 3.31. Схема с общим стоком, содержащая Rs и модель на PSpice


    Часто в моделях имеется «висящий» вход (управляющий электрод не подключен), но такие схемы не могут анализироваться на PSpice. Выход состоит в том, чтобы подключить высокоомный резистор между управляющим электродом и стоком. В нашем примере RGD=10 МОм; gm=2 мС; rd=40 кОм; RL=2 кОм; RS=500 Ом, входное напряжение составляет 1 мВ. Входной файл принимает вид:

    Common-Source FET with RS

    VI 1 0 1mV

    G 2 3 1 3 2mS

    RD 2 3 40K

    RL 2 0 2K

    RS 3 0 500

    RG 1 2 10 MEG

    .OP

    .OPT nopage

    .TF V (2) VI

    .END

    После выполнения анализа убедитесь, что V(2)/VI=-1,939 и R'0=1,95 кОм. С помощью вычислений покажите, что R'0=79,6 кОм и IL=-950 нА.

    Усилители с общим стоком на полевых транзисторах с внешним резистором стока

    На рис. 3.30 приведена схема усилителя с общим стоком, в которой выходной сигнал снимается с резистора RS. Предположим, что Rd все еще включен в схему. Модель для PSpice, показанная в рис. 3.32, отражается следующим входным файлом:

    Common-Drain FET with Drain Resistor

    VI 1 0 1mV

    G 3 2 1 2 2mS

    RD 2 3 40KБ

    RD1 3 0 1k

    RS 2 0 2KБ

    RG 1 3 10MEG

    .OP

    .OPT nopage

    .TF V(2) VI

    .END

    Рис. 3.32. Схема усилителя на полевом транзисторе с общим стоком и резистором в цепи стока


    Попробуйте с помощью теоретического анализа предсказать величину коэффициента усиления, затем выполните анализ на PSpice и убедитесь, что V(2)/VI=0,7882 и R'0=403,9 Ом. Вычислите R0=506 Ом и IL=394 nA. 

    Частотная характеристика усилителя на полевых транзисторах

    При использовании усилителя на полевом транзисторе в широком диапазоне частот необходимо учитывать внутренние емкости транзисторов. На рис. 3.33 приведена модель усилителя с общим истоком (ОИ), включающая емкости Cgd, Cgs, и Cds. Обычно они малы. В нашем примере для них выбраны следующие значения: Cgs=3 пФ; Cds=1 пФ; Cgd=2,8 пФ. Другие исходные значения равны: gm=1,6 мС; rd=44 кОм; Rs=1 кОм и RL=100 кГц. Для анализа на PSpice выберем частотный диапазон от 100 Гц до 100 кГц. Емкости будут влиять на процессы только на высоких частотах. Входной файл имеет следующий вид:

    Common-Source Amplifier; High-Frequency Model

    VI 1 0 AC 1mV

    G 3 0 2 0 1.6mS

    RD 3 0 44k

    RL 3 0 100k

    RS 1 2 1k

    CGS 2 0 3pF

    CGD 2 3 2.8pF

    CDS 3 0 1pF

    .AC DEC 2 0 100 10MEG

    .PROBE

    .END

    Рис. 3.33. Высокочастотная модель усилителя ОИ 


    Выполните анализ и получите распечатку результатов, проведите частотный анализ в Probe, использовав логарифмическую шкалу частот по оси X и выведя V(3) на оси Y. Можете ли вы установить, при какой частоте выходное напряжение существенно снижается? Поскольку это не график Боде, эту частоту трудно определить. Удалите этот график и получите новый, логарифмический, график, соответствующий уравнению 

    20·lg(V(3)/49мВ).

    Теперь мы получили график Боде в стандартной форме. В формуле значение 49 мВ представляет собой коэффициент усиления на средних частотах, показанный на первом графике. Мы использовали это значение, чтобы нормализовать график. Вертикальная ось теперь имеет начальную отметку в верхней части шкалы и диапазон от -5 до -30. Измените шкалу по оси X, чтобы показать частотный диапазон от 100 Гц до 5 МГц. Используйте курсор, чтобы убедиться, что ослабление в 3 дБ достигается при частоте f=619 кГц. Получите распечатку и проведите касательные к обеим линейным частям кривой. Координата точки, где эти линии пересекутся, будет соответствовать значению 3 дБ. График приведен на рис. 3.34.

    Рис. 3.34. Выходной файл при анализе схемы на рис. 3.33

    Модель биполярного транзистора для высоких частот

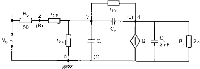
    Для анализа схем ОЭ мы часто используем гибридную π-модель. На рис. 3.35 показана эта модель с внешними компонентами Vs, Rs, и RL. В эту модель введен дополнительный узел В', чтобы отразить поведение транзистора на высоких частотах. Элементы, используемые в этой модели: резисторы rce, rbb', rb'e и rb'c и конденсаторы Сс и Се. Коэффициент усиления представляется источником тока, управляемым напряжением (ИТУН), gmVb'e. На рис. 3.35 показаны значения, используемые в этом примере. Они соответствуют следующему входному файлу:

    High-Frequency Model of Bipolar-Junction Transistor

    VS 1 0 AC 1mV

    G 4 0 3 0 50mS

    RS 1 2 50

    RBB 2 3 100

    RBE 3 0 1k

    RBC 3 4 4 MEG

    RCE 4 0 80k

    RL 4 0 2k

    CE 3 0 100pF

    CC 3 4 3pF

    .AC DEC 50 100k 10MEG

    .PROBE

    .END

    Рис. 3.35. Гибридная π-модель биполярного транзистора 


    Выполните анализ и определите выходное напряжение на средних частотах V(4). Убедитесь, что оно приблизительно равно 85 мВ. Затем получите график

    20·lg(V(4)/84,5мВ).

    График показан на рис. 3.36. Он позволит вам найти точку, соответствующую 3 дБ. Убедитесь, что при этом частота равна f=2,8 МГц.

    Рис. 3.36. Выходной файл для рис. 3.35


    Трудно получить уравнения, необходимые для правильного решения задач такого типа, и решить их, поскольку схема имеет четыре независимых узла и содержит сложные элементы. В данном случае применение такого мощного инструмента, как PSpice, совершенно оправдано. Если нет необходимости в большой точности расчетов, то вместо этого часто используются более простые модели.

    Эмиттерный повторитель при работе на высоких частотах

    Рассмотрим теперь другую разновидность высокочастотного анализа. Эта схема включает полное сопротивление нагрузки ZL, состоящее из RL и CL. Усилитель имеет низкое выходное сопротивление и используется как драйвер для емкостной нагрузки. На рис. 3.37 показана схема с гибридной π-моделью. Отметим, что стрелка тока внутри источника G по-прежнему направлена к эмиттерному узлу. Входной файл имеет вид:

    Emitter Follower High-Frequency Model

    VS 1 0 AC 1mV

    G 0 4 3 4 50mS

    RS 1 2 50

    RBB 2 3 100

    RBE 3 4 1k

    RBC 3 0 4MEG

    RL 4 0 2k

    CL 4 0 3nF

    CC 3 0 3pF

    CE 3 4 100pF

    .AC DEC 50 100k 10MEG

    .PROBE

    .END

    Рис. 3.37. Гибридная π-модель эмиттерного повторителя с емкостной нагрузкой


    Выполните анализ, затем получите график для V(4). Обратите внимание, что коэффициент усиления немного меньше единицы, как и ожидается для эмиттерного повторителя. Чтобы получить график Боде, используйте функцию

    20·lg(V(4)/0.99мВ).

    Затем используйте курсор, чтобы проверить, что значение 3 дБ достигается при f=2,7 МГц. Добавьте второй график, который является графиком фазового угла напряжения V(4). Сделайте это, просто получив график VP(4). Убедитесь, что при частоте, соответствующей 3 дБ, значение фазового угла приблизительно равно -57°. Обратите внимание, что при 100 кГц — самой низкой частоте, отображенной на графике, уже имеется некоторый фазовый угол из-за емкостного характера нагрузки. На рис. 3.38 показаны фазовый угол и графики Боде для этой схемы.

    Рис. 3.38. Выходной файл для схемы на рис. 3.37

    Чувствительность по постоянному току

    Изменения параметров элементов в таких схемах могут привести к неправильной работе устройства. В некоторых случаях ожидаемые напряжения и токи выходят за пределы приемлемых значений. В других случаях неверно выбранное смещение может привести к искажениям и так далее. При использовании PSpice чувствительность выходного напряжения к изменениям параметров может быть определена введением во входной файл команды .SENS.

    Например, в последовательной цепочке, показанной на рис. 3.39, резистор R2 представляет собой сопротивление нагрузки. Напряжение на этом резисторе составляет 1,25 В. Входной файл содержит команду, позволяющую определить чувствительность этого напряжения относительно других элементов схемы:

    Sensitivity of Load Voltage in Series Circuit

    Vs 1 0 5V

    R1 1 2 300

    R2 2 0 100

    .sens V(2)

    .end

    Рис. 3.39. Схема для иллюстрации понятия чувствительности 


    Выходной файл для этого анализа представлен на рис. 3.40. Чувствительность по постоянному току выходного напряжения V2 показана относительно различных элементов схемы. Первый из них — это резистор R1 со значением 300 Ом. Чувствительность составляет -3,125Е-03 В на единицу. Поскольку элемент представляет собой резистор, единицей измерения является Ом. Чувствительность составляет -3,125Е-03 В/Ом. Чувствительность V2 к изменениям в значении R2 при номинальном сопротивлении в 100 Ом составляет 9,375Е-03 В/Ом. И наконец, чувствительность V2 к изменениям в Vs равна 0,25 В/В. Попробуем понять, что означают эти величины и как найдены их значения. 

    **** 09/15/99 11:37:48 *********** Evaluation PSpice, (Nov 1998) **************

    Sensitivity of Load Voltage in Series Circuit

    Vs 1 0 5V

    R1 1 2 300

    R2 2 0 100

    .sens V(2)

    .end

    **** SMALL SIGNAL BIAS SOLUTION TEMPERATURE = 27.000 DEG С

    NODE VOLTAGE NODE VOLTAGE NODE VOLTAGE NODE VOLTAGE

    ( 1) 5.0000  ( 2) 1.2500

    VOLTAGE SOURCE CURRENTS NAME CURRENT

    Vs -1.250E-02

    TOTAL POWER DISSIPATION 6.25E-02 WATTS

    Sensitivity of Load Voltage in Series Circuit

    **** DC SENSITIVITY ANALYSIS TEMPERATURE = 27.000 DEG С

    DC SENSITIVITIES OF OUTPUT V(2)

    ELEMENT ELEMENT    ELEMENT      NORMALIZED

    NAME    VALUE      SENSITIVITY  SENSITIVITY

                       (VOLTS/UNIT) (VOLTS/PERCENT)

    R1      3.000E+02 -3.125E-03    -9.375E-03

    R2      1.000E+02  9.375E-03     9.375E-03

    Vs      5.000E+00  2.500Е-01     1.250E-02

    Рис. 3.40.


    Понятие чувствительности было введено Боде в работе «Network Analysis and Feedback Amplifier Design» (Анализ цепей и расчет обратных связей в усилителях). Он заинтересовался тем, как переходная функция T изменяется при изменениях в одном элементе системы. Символ S с верхним и нижним индексом представляет собой чувствительность. Верхний индекс — выходной параметр, нижний — отражает элемент, в котором происходят изменения. В нашей последовательной цепочке используется делитель напряжения, для которого

    Предположим сначала, что изменения происходят в R1, в то время как другие элементы остаются неизменными. Например, R1 увеличивается на малую величину ΔR1, производя некоторое изменение ΔV2 в напряжении V2.

    В пределе, ΔR1→ΔR1 и ΔV2→ΔV2. Элементная чувствительность для элемента R1 определяется как

    В нашем примере

    что согласуется с элементной чувствительностью, показанной в выходном файле. Чувствительность V2 относительно R2 определена как

    В нашем примере

    что также согласуется с элементной чувствительностью, показанной в выходном файле.

     В последнем столбце выходного файла на рис. 3.40 показаны нормированные значения. Они найдены как произведение значения элемента и элементной чувствительности.

    Теперь, когда мы видели, как находятся значения чувствительности, определим, что же они означают. Предположим, что происходит инкрементное изменение в значении R1, например увеличение на 1%. Это дает R1=303 Ом и ΔR1=3 Ом. Учитывая, что ΔV2R1=-0,003125, получим ΔV2=3(-0,003125)=-0,009375, и новое значение V2=1,240625 В.

    Теперь предположим, что на 1% увеличилось значение R2. Это дает R2=101 Ом и ΔR2=1 Ом. Учитывая, что ΔV2R2=0,009375, получим ΔV2=0,009375, и новое значение V2=1,259375 В. 

    Но подождите, не можем ли мы найти новое значение V2 в каждом случае по формуле делителя напряжения? Ведь если R1=303 Ом, то

    С другой стороны, если R2=101 Ом, то

    Внимательное сравнение двух методов для предсказания измененного значения V2 показывает, что они не полностью идентичны. А при изменении, превышающем 1%, расхождение будет еще больше. Очевидно, значения чувствительности не должны использоваться для предсказания фактических значений выходного напряжения. Их роль состоит в том, чтобы показывать, какие из элементов являются более критическими при поддержании стабильности схемы.

    При сравнении нормированных чувствительностей для нашей схемы мы рассматриваем большие значения как более критические. Например, самое большое значение показано в последнем столбце на рис. 3.40 для Vs и составляет 0,0125. Таким образом, источник питания Vs является наиболее критическим элементом. Нормированные чувствительности для R и R2 одинаковы по величине. Поэтому они являются в равной степени чувствительными элементами.

    Чувствительность по току смещения

    На рис. 3.41 представлена наша модель для схемы смещения для биполярного транзистора. В этом примере транзистор имеет VBE=0,7 В и hFE= 80. Выходным напряжением считается напряжение коллектор-эмиттер V(3,2). Это напряжение будет предметом анализа чувствительности. Входной файл для такого анализа:

    Sensitivity of Model Transistor-Biasing Circuit

    VCC 4 0 12V

    VA 1 2 0.7V

    F 3 2 VA 80

    R1 4 1 40k

    R2 1 0 5k

    RC 4 3 1k

    RE 2 0 100

    .OPT nopage

    .SENS V(3,2)

    .END

    Рис. 3.41. Простая модель для исследования чувствительности биполярного транзистора


    Проведем анализ и рассмотрим значения для элементной чувствительности в выходном файле, который приведен на рис. 3.42. Убедитесь, что при увеличении VCC на 0,12 В, V(3,2) увеличится на 0,02636 В, а из всех резисторов схемы, наиболее чувствительным в отношении V(3,2) является резистор R1.

    **** 09/15/99 11:57:07 *********** Evaluation PSpice (Nov 1998) **************

    Sensitivity of Model Transistor Bias Circuit

    VCC 4 0 12V

    VA 1 2 0.7V

    F 3 2 VA 80

    R1 4 1 40k

    R2 1 0 5k

    RC 4 3 1k

    RE 2 0 100

    .SENS V(3,2) .OPT nopage .END

    **** SMALL SIGNAL BIAS SOLUTION TEMPERATURE = 27.000 DEG С

    NODE VOLTAGE NODE VOLTAGE NODE VOLTAGE NODE VOLTAGE

    ( 1) 1.1069  ( 2) .4089   ( 3) 7.9610  ( 4) 12.0000

    VOLTAGE SOURCE CURRENTS

    NAME CURRENT

    VCC -4.311E-03

    VA   5.049E-05

    TOTAL POWER DISSIPATION 5.17Е-02 WATTS ****

    DC SENSITIVITY ANALYSIS TEMPERATURE = 27.000 DEG С

    DC SENSITIVITIES OF OUTPUT V(3,2)

    ELEMENT ELEMENT    ELEMENT      NORMALIZED

    NAME    VALUE      SENSITIVITY  SENSITIVITY

                       (VOLTS/UNIT) (VOLTS/PERCENT)

    R1      4.000E+04  2.125E-04    6.499E-02

    R2      5.000E+03 -1.385E-03   -6.923E-02

    RC      1.000E+03 -4.039E-03   -4.039E-02

    RE      1.000E+02  2.463E-02    2.463E-02

    VCC     1.200E+01  2.197E-01    2.636E-02

    VA      7.000E-01  7.023E+00    4.916E-02

    Рис. 3.42. Выходной файл с результатами анализа схемы на рис. 3.41


    Как упражнение используйте элементные значения чувствительности, чтобы аппроксимировать V(3,2), когда сначала на 1% увеличивается R1 и затем, когда R2 увеличивается на 1%. Не забудьте, что результаты, полученные этим методом, будут приблизительны и применятся только к инкрементным изменениям в элементных значениях.

    Библиотека элементов PSpice

    Библиотека элементов PSpice содержит тысячи компонентов, которые могут использоваться в аналоговых или цифровых схемах. Для выбора этих элементов вы можете воспользоваться приложением Е. Обратите внимание, что четыре типа биполярных транзисторов доступны в версии PSpice. Для этого примера мы выберем биполярный транзистор Q2N2222 типа npn.

    Чтобы получить доступ к содержимому этой библиотеки, вы должны знать путь. На компьютере автора он отражается как:

    E:\Program Files\OrCAD Demo\Capture\library\PSpice\evallib

    Можно найти этот файл, используя Проводник Windows. При этом вы должны дважды нажать на соответствующий значок (который должен показать Adobe Acrobat Reader). При этом программа PSpice активизируется и отображает библиотеку. Если Вы предпочитаете находить файлы, применяя набор команд Start-Run-winfile, вы сможете увидеть следующий путь:

    e:\progra~1\orcadd-l\capture\library\pap:e\eval.lib

    (Ваш драйвер жесткого диска расположен, скорее всего, на диске с, а не на е.)

    Чувствительность биполярных транзисторов из библиотеки PSpice

    Когда при анализе чувствительности используется модель биполярного транзистора из библиотеки PSpice, чувствительность выходной переменной к изменениям в значениях параметров транзистора задана также в исходной информации. Как пример мы используем схему, показанную на рис. 3.43, где в качестве Q1 выбран транзистор типа Q2N2222 из библиотеки PSpice. Мы хотим получить чувствительность V(3,4), напряжения коллектор-эмиттер. Входной файл приведен на рис. 3.44.

    Рис. 3.43. Встроенная модель для анализа чувствительности


    Выходной файл, показанный на рис. 3.44, дает чувствительность по постоянному току для V(3,4) по отношению не только к внешним компонентам, но также и к параметрам транзистора. Для Q1 при анализе чувствительности приняты следующие обозначения: RB — сопротивление базы (внутреннее), RC омическое сопротивление коллектора, RE омическое сопротивление эмиттера и так далее. Особый интерес представляет чувствительность относительно прямого коэффициента усиления по постоянному току BF.

    **** 09/16/05 07:08:47 ******** Evaluation PSpice (Nov 1999) **********

    Sensitivity of BJT Biasing Circuit

    VCC 2 0 12V

    R1 2 1 40k

    R2 1 0 3.3k

    RC 2 3 7.7k

    PE 4 0 220

    Q1 3 1 4 Q2N2222

    .SENS V(3,4)

    .LIB EVAL.LIB

    .END

    Unable to find index file EVAL.ind for library file EVAL.LIB

    Making new index file EVAL.ind for library file EVAL.LIB

    Index has 344 entries from 1 file(s).

    **** BJT MODEL PARAMETERS

    Q2N2222

    NPN

    IS 14.340000E-15

    BF 255.9

    NODE VOLTAGE NODE VOLTAGE NODE VOLTAGE NODE VOLTAGE

    ( 1) .8926   ( 2) 12.0000 ( 3) 3.4815  ( 4) .2450

    VOLTAGE SOURCE CURRENTS

    NAME CURRENT

    VCC -1.384E-03

    TOTAL POWER DISSIPATION 1.66E-02 WATTS

    **** DC SENSITIVITY ANALYSIS TEMPERATURE = 27.000 DEG С

    DC SENSITIVITIES OF OUTPUT V(3,4)

    ELEMENT ELEMENT    ELEMENT      NORMALIZED

    NAME    VALUE      SENSITIVITY  SENSITIVITY

                       (VOLTS/UNIT) (VOLTS/PERCENT)

    R1      4.000E+04  6.263E-04    2.505E-01

    R2      3.300E+03 -7.395E-03   -2.440E-01

    RC      7.700E+03 -1.086E-03   -8.363E-02

    RE      2.200E+02  3.186E-02    7.009E-02

    VCC     1.200E+01 -1.274E+00   -1.529E-01

    Q1

    RB      1.000E+01  2.127E-04    2.127E-05

    RC      1.000E+00  2.020E-05    2.020E-07

    RE      0.000E+00  0.000E+00    0.000E+00

    BF      2.559E+02 -1.586E-03   -4.059E-03

    ISE     1.434E-14  2.022E+13    2.899E-03

    BR      6.092E+00  3.790E-11    2.309E-12

    ISC     0.000E+00  0.000E+00    0.000E+00

    IS      1.434E-14 -6.888E+13   -9.878E-03

    NE      1.307E+00 -4.250E+00   -5.555E-02

    NC      2.000E+00  0.000E+00    0.000E+00

    IKF     2.847E-01 -1.831E-02   -5.213E-05

    IKR     0.000E+00  0.000E+00    0.000E+00

    VAF     7.403E+01  6.382E-04    4.725E-04

    VAR     0.000E+00  0.000E+00    0.000E+00

    Рис. 3.44. Выходной файл с результатами анализа схемы на рис. 3.43

    Обратите внимание, что выходной файл содержит запись:

    Unable to find index file EVAL.ind for library file EVAL.LIB Making new index file EVAL.ind for library file EVAL.LIB Index has 344 entries from 1 file(s).

    Что в переводе означает:

    «Невозможно найти индексный файл EVAL.IND для библиотечного файла EVAL.LIB Создайте новый индексный файл EVAL.IND для библиотечного файла EVAL.LIB Индекс имеет 344 входа из 1 файла (ов)».

    Этот индексный файл будет автоматически создан, если вы сначала вызовете библиотеку Evaluation Library. Она будет содержать информацию, необходимую для выполнения анализа.

    Обзор новых команд PSpice, применяемых в данной главе

    Е [имя] <+узел> <-узел> <+управляющий узел> <-управляющий узел>

    Например, запись

    Е 6 5 2 1 13

    указывает, что ИНУН включен между узлами 6 и 5. Он зависит от напряжения между узлами 2 и 1 и имеет коэффициент усиления по напряжению, равный 18. Эта команда (наряду с командами F и G) была приведена в главе 1; описание ее повторено здесь, так как ИНУН одновременно основной элемент при моделировании усилителей и некоторые из примеров и задач в этой главе требуют его использования.

    Подобно другим зависимым источникам, он может быть представлен в форме POLY, когда зависимость задается полиномом. Обратите внимание, что коэффициентом усиления в данном случае является безразмерный коэффициент трансформации.

    F [имя] <+узла> <-узел > <+управляющий узел> <-управляющий узел>

    Например,

    F А 3 VA 80

    указывает, что ИТУТ включен между узлами 4 и 3. Стрелка, указывающая направление тока, направлена к узлу 3. Ток через зависимый источник в 80 раз больше, чем ток через VA. Источник напряжения VA может быть реальным источником или фиктивный источником с напряжением 0 В. Фиктивный источник часто необходим, чтобы замкнуть путь для тока управления.

    Использования команды F требует, например, модель транзистора в h-параметрах. Коэффициент усиления hfe является безразмерным. Другие транзисторные модели, использующие коэффициент усиления β, также требуют команды F.

    G [имя] <+узла> <-узел> <+управляющий узел> <-управляющий узел>

    Например, запись

    G 8 7 5 3 20mS

    указывает, что ИТУН включен между узлами 8 и 7. Стрелка тока направлена к узлу 7. Ток через зависимый источник является функцией напряжения между узлами 5 и 3 с крутизной 20 мС. Это означает, например, что если v53=10 мВ, то i87=(10 мВ)·(20 мС)=200 мкА.

    Команды, начинающиеся с точки, используемые в данной главе

    .TF <выходная переменная> <входной источник>

    Например, запись

    .TF V(4) VS

    даст коэффициент усиления малого сигнала V4/VS, если команда используется с моделью в h-параметрах, как в этой главе. Это возможно, когда мы используем напряжения переменного тока в схемах, где пассивные компоненты являются чисто резистивными. В PSpice анализ может проводиться для переменного или постоянного тока.

    .LIB <имя файла>

    Например, запись

    .LIB EVAL.LIB

    указывает, что модели, используемые во входном файле, будут разыскиваться в библиотеке EVAL.LIB. В примере, посвященном определению чувствительности схемы смещения для биполярного транзистора Q1, использовалась модель для Q2N2222. Эта модель была найдена в библиотеке EVAL.LIB, которая поставляется с рабочей версией PSpice.

    .SENS <переменная вывода>

    Например,

    .SENS V(2)

    указывает, что будет вычислена чувствительность по постоянному току s для выходного напряжения V(2) относительно различных элементов схемы.

    Задачи 

    3.1. Схема смещения для кремниевого транзистора с hFE=100 показана на рис. 3.45. При VBE=0,7 В найдите токи IВ и IC и напряжение смещения Vce. Ваши результаты должны показать IВ=21,5 мкА; IC=2,15 мА и Vce=3,55. Работает ли транзистор в активной области?

    Рис. 3.45


    3.2. Измените значение RB в задаче 3.1 до 50 кОм. Оставив все другие значения неизменными, используйте PSpice, чтобы найти IВ, IC, и Vce. Внимательно рассмотрите полученные результаты и объясните, почему значения неверны. Подсказка: Вспомните, что относительно большие значения тока базы могут смещать транзистор в область насыщения.

    3.3. Используя модели смещения PSpice при VBE=0,7 В, найдите IВ, IC, и Vce в схеме на рис. 3.46. Работает ли транзистор в активной области?

    Рис. 3.46 


    3.4. Из модели смещения PSpice с VBE=0,7 В определите IB, IС и Vce в схеме на рис. 3.47. Примечание: Используйте h-параметры, заданные на рис. 3.47, для каждой из следующих задач, где необходим анализ в h-параметрах.

    Рис. 3.47


    3.5. Используйте модель PSpice, основанную на полном наборе h-параметров, чтобы решить эту задачу. Для схемы на рис. 3.48 найдите AI=I0/Ii, AV=VC/VB, AVs=VC/VS. Подсказка: для низкочастотного анализа при малом сигнале конденсатор может быть заменен коротким замыканием.

    Рис. 3.48 


    3.6. Используйте ту же модель для PSpice, что и в задаче 3.5. Для схемы, показанной на рис. 3.49, с RE найдите AI, AV и AVs.

    Рис. 3.49


    3.7. Для каждого из усилителей задач 3.5 и 3.6 найдите входное сопротивление со стороны источника, используя PSpice.

    3.8. Пользуясь моделью, основанной на полном наборе h-параметров, найдите AI, AV, и Ri для схемы на рис. 3.50.

    Рис. 3.50


    3.9. Усилитель с общим истоком на полевом транзисторе показан на рис. 3.51. Каким будет выходное напряжение сток-земля при входном напряжении Vi=4 мВ? Каков коэффициент усиления усилителя по напряжению? Положителен он или отрицателен? Что это означает?

    Рис. 3.51


    3.10. Когда в задаче 3.9 выходное напряжение усилителя снимается с истока, он является усилителем с общим стоком (CD). При использовании тех же значений каково будет выходное напряжение исток-земля? Каков коэффициент усиления по напряжению усилителя? Является он положительным или отрицательным?

    3.11. Усилитель с общим истоком на полевом транзисторе должен использоваться в широком диапазоне частот. Параметры элементов: Rs=1 кОм; Сgs=2 пФ; Cgd=3 пФ; Cds=1,5 пФ; RL=48 кОм; gm=3 мС и rd=100 кОм. Проведите анализ на PSpice и получите график частотной характеристики для усилителя. Найдите частоту снижения из 3 дБ. Каков коэффициент усиления усилителя на средней частоте?

    3.12. На рис. 3.52 показан усилитель ОЭ. Он имеет следующие параметры: gm=70 мС; Rce=100 кОм; rbb'=120 Ом; rb'e=1100 Ом; rb'c=2 МОм; Сс=2,5 пФ и Се=80 пФ. Во внешней схеме Rs=1050 Ом; RL=2,4 кОм и Vs=5 мВ. Проведите анализ на PSpice, чтобы определить частотную характеристику.

    Определите среднечастотные выходное напряжение и коэффициент усиления по напряжению. Найдите частоту снижения на 3 дБ.

    Рис. 3.52


    3.13. Проведите анализ усилителя из задачи 3.12 в программе Probe, чтобы определить полное входное сопротивление на частоте f=50 кГц.

    3.14. Вместо упрощенной модели в h-параметрах для биполярного транзистора используйте эквивалентную модель на рис. 3.53, для которой rbb'+rb'e=hie и gmvb'e=hfeib. Параметры элементов: hfe=100; hie=1200 Ом и от rbb'=100 Ом. Пользуясь этой моделью, найдите среднечастотный коэффициент усиления (от источника до коллектора) для усилителя, показанного на рис. 3.54. На этом рисунке: R1=20 кОм; R2=10 кОм; Rc=4,8 кОм и Re=800 Ом. Замените С1 и С2 на короткое замыкание.

    Рис. 3.53


    Рис. 3.54.







     


    Главная | В избранное | Наш E-MAIL | Добавить материал | Нашёл ошибку | Наверх