• Замыкание ключа в RL-цепях
  • Переходной процесс при ненулевых начальных условиях
  • Подключение источника постоянного напряжения к RC-цепи 
  • Цепи с двумя накопителями энергии
  • Апериодический переходной процесс в RLC-цепях
  • Критический переходной процесс в RLC-цепях
  • Колебательный процесс в RLC-цепях при слабом затухании
  • Отклик на ступенчатое воздействие в усилителях
  • Отклик на низкочастотное воздействие в усилителях
  • Цепи заряда конденсаторов
  • LС-цепи при размыкании ключа
  • Цепи с источником тока
  • Мостовые схемы с ненулевым начальным током
  • Звенящий контур
  • Задачи 
  • 6. Переходные процессы и анализ во временной области

    Анализ переходных процессов является еще одной из полезных возможностей PSpice. Математический расчет переходных процессов может оказаться довольно утомительным и долгим. Он предусматривает сложные преобразования дифференциально-разностных уравнений при определенных граничных и начальных условиях. PSpice позволяет нам получить полную информацию за короткое время и лучше понять процессы, воспользовавшись широким набором временных зависимостей токов и напряжений.

    Замыкание ключа в RL-цепях

    В каждой схеме при попытке изменения ее энергетического состояния происходит хотя бы кратковременный переходной процесс. В качестве примера на рис. 6.1 показана схема с источником напряжения в 1 В, ключом (в начальный момент он закрыт), резистором R и катушкой индуктивности L. Посмотрим, что же произойдет сразу после замыкания ключа. Из курса теоретической электротехники известно, что ток достигнет установившегося значения V|R не сразу, нарастая по экспоненте. Постоянная времени нарастания τ=L|R представляет собой время, требуемое для достижения током 63,2% установившегося значения. Через 5τ! ток почти достигнет установившегося значения, отличаясь от него не более чем на 1%.

    Рис. 6.1. Замыкание ключа в RL-цепи


    В PSpice, мы исследуем этот переходной процесс, воспользовавшись источником с кусочно-линейным выходным напряжением PWL (piecewise linear). 

    Он будет задан командой, описывающей приложенное напряжение, следующим образом:

    V 1 0 PWL (0,0 10us,1V 10ms, 1V)

    Команда показывает, что напряжение приложено между узлами 1 и 0 и его форма задана отрезками прямых (PWL). Параметры в круглых скобках представляют собой пару значений: момент времени — напряжение. В данном примере в момент t=0 V=0; затем при t=10 мкс V=1 В; при 10 мс V=1 В. Изменение напряжения между двумя соседними моментами времени осуществляется по отрезку прямой. Посмотрите, как выглядит временная функция напряжения. Теперь можно записать входной файл:

    Switch Closing in RL Circuit

    V 1 0 PWL (0,01us,1V 10ms, 1V)

    R 1 2 100

    L 2 0 0.1H

    .TRAN 1ms 10ms

    .PROBE

    .END

    Первое значение, показанное в команде .TRAN, является значением шага в распечатке. Выберите его равным приблизительно одной десятой части второго значения, которое указывает длительность анализируемого процесса.

    Выполните анализ и получите график I(R). Обратите внимание, что ток, как и ожидалось, нарастает по экспоненте, достигая установившегося значения в 10 мА. Используйте режим курсора, чтобы определить начальную скорость изменения тока Δit. Для определения отношения приращений вы можете выбрать временной интервал приблизительно в 50 мкс. Убедитесь, что в начале процесса Δit=10 А/с. Если ток будет увеличиваться с этой скоростью вплоть до установившегося значения 10 мА, то когда он этого значения достигнет?

    Как вы знаете, через время, равное постоянной времени τ, ток должен достигнуть 0,632 от установившегося значения. Проверьте по графику, что это значение (6,32 мА) достигается через t=1 мс. Сверьте полученный вами график с рис. 6.2.

    Рис. 6.2. График тока для схемы на рис. 6.1


    Если вы впервые сталкиваетесь с понятием постоянной времени, получите график при других параметрах, что поможет вам лучше разобраться с этой концепцией. Удалите график тока и получите графики трех напряжений: V(1), (V)2 и V(1,2). Напряжение V(1,2) является более коротким обозначением разности V(1)–V(2). Установив начальную задержку по оси времени в 10 мс вместо 1 мс, мы лучше увидим начальный участок процесса после замыкания ключа. Что представляют собой кривые?

    Приложенное напряжение V(1) мгновенно повышается от нуля до 1 В, а напряжение на катушке индуктивности V(2) начинается при значении в 1 В в момент t=0. Можете ли вы с помощью второго закона Кирхгофа (устанавливающего связь напряжений) объяснить почему? Падение напряжения на резисторе V(1, 2) имеет, очевидно, график, подобный графику тока, поскольку vR=Ri. Так как всегда vR+vL=V (V — приложенное напряжение), то графики vR(t) и vL(t) являются зеркальными отображениями. Графики этих зависимостей показаны на рис. 6.3.

    Рис. 6.3. Графики напряжений на элементах схемы на рис. 6.1 

    Переходной процесс при ненулевых начальных условиях

    В схеме рис. 6.4 до момента t=0 ключ разомкнут. После замыкания ключа начинается переходной процесс с ненулевыми начальными условиями. Чтобы рассчитать переходной процесс на PSpice и в этом случае, необходимо проделать некоторую предварительную работу.

    Рис. 6.4. Схема с ненулевыми начальными условиями


    Проведем в качестве примера расчет при следующих значениях параметров элементов: R1=15 Ом, R=5 Ом, L=0,5 мГн и V=10 В. До замыкания ключа ток равен

    После замыкания ключа ток нарастает по экспоненте, как и в предыдущем примере. При начальном токе в 0,5 А входной файл выглядит следующим образом:

    Transient with Nonzero Initial Current

    V 1 0 PWL(0, 2.5V 1us, 10V 1ms, 10V)

    R 1 2 5

    L 2 0 0.5mH IC=0.5A

    .TRAN 10us 1ms

    .PROBE

    .END

    Отметим, что команда для L содержит запись IC=0,5 А, с помощью которой задается начальное значение тока в катушке. Однако этого недостаточно для правильного отображения процесса. Обратим внимание, что запись для выходного напряжения дает начальную пару значений для PWL 0; 2,5 В. Что это означает? При токе i=0,5 А напряжение на резисторе R составляет vR=Ri=0,5·5=2,5 В. При замыкании ключа сопротивление R1 исключается из схемы, но поскольку ток в схеме (и напряжение на R) не может мгновенно измениться, то, в соответствии со вторым законом Кирхгофа, мгновенно изменяется напряжение на катушке. Однако PSpice позволяет учесть лишь начальный ток в катушке, а напряжение на ней в начале анализа всегда равно нулю. Чтобы обеспечить ток в 0,5 А, мы должны принять в начальный момент напряжение на источнике равным 2,5 В, что и сделано при описании источника PWL.

    Теперь можно провести анализ и получить кривые тока. Убедитесь, что начальное значение тока составляет 0,5 А, а его установившееся значение равно 2 А. С какой постоянной времени ток будет достигать установившегося значения? Общее изменение тока составляет 1,5 А. А за какое время разница достигает величины 0,632·1,5 = 0,948? Прибавив эту величину к начальному значению 0,5 А, вы получите ток i=1,448 А. Проверьте это по графику, воспользовавшись курсором. Сверьте ваш график с показанным на рис. 6.5.

    Рис. 6.5. График тока для схемы на рис. 6.4

    Подключение источника постоянного напряжения к RC-цепи 

    В конденсаторе, показанном на рис. 6.6, при замыкании ключа происходит начальный скачок тока. Входной файл для этого случая:

    Switch Closing in RC Circuit

    V 0 PWL(0,0 1us,1V 10ms,1V)

    R 1 2 10k

    С 2 0 0.1uF

    .TRAN 1ms 10ms

    .PROBE

    .END

    Рис. 6.6. Замыкание ключа в RC-цепи


    Проведите анализ и получите график I(R). Каково значение тока в момент, когда ключ разомкнут? Каково оно будет при t=τ, если ток продолжит падать с начальной скоростью после того, как станет нулевым? Сверьте ваш результат с приведенным на рис. 6.7.

    Рис. 6.7. График тока для схемы на рис. 6.6 


    Удалите график тока и получите графики приложенного напряжения V(1) и напряжений на конденсаторе V(2) и на резисторе V(1, 2). Обратите внимание на экспоненциальный рост напряжения на конденсаторе и экспоненциальный спад напряжения на резисторе. Такой характер изменения напряжений подтверждается кривыми на рис. 6.8.

    Рис. 6.8. Напряжения на элементах схемы на рис. 6.6

    Цепи с двумя накопителями энергии

    Схемы с двумя различными накопителями энергии содержат катушку индуктивности L и конденсатор С вместе с одним или несколькими резисторами R. Когда схема содержит последовательно включенные R, L и С, различают переходные процессы трех типов. При слабом затухании процесс называется колебательным, при избыточном затухании — апериодическим, а при критическом затухании — критическим случаем. Начнем с первого случая.

    Апериодический переходной процесс в RLC-цепях

    На рис. 6.9 показана схема с источником напряжения в 12 В. Ключ замыкается при t=0, после чего начинается переходной процесс. Значения параметров: С=1,56 мкФ, L=10 мГн и R=200 Ом. Изменение значения R при дальнейшем изложении приведет нас к двум другим типам переходных процессов, но для R=200 Ом получается случай апериодического процесса при избыточном затухании. За время 1 мс ток увеличивается до максимума и затем спадает по экспоненте.

    Рис. 6.9. Схема с двумя накопителями энергии при избыточном затухании


    Математический анализ этой схемы показывает, что ток представляет собой сумму двух показательных функций, что и должно быть видно на графике. Входной файл:

    Double-Energy Circuit, Overdamped

    V 1 0 PWL(0,0 1us,12V 10ms,12V)

    R 1 2 200

    L 2 3 10mH

    N 3 0 1.56uF

    .TRAN 10us 1ms

    .PROBE

    .END

    Проведите анализ, затем получите график I(R). Убедитесь, что максимум тока i=47,4 мА достигается при t=125 мкс. График для случая с большим затуханием показан на рис. 6.10.

    Рис. 6.10. График тока для схемы на рис. 6.9


    Интересно также посмотреть, как изменяются напряжения на компонентах схемы. Удалите график тока и вы получите графики V(1), V(3), V(2,3) и V(1,2). Соответствующие узлы обозначены на схеме на рис. 6.9. Убедитесь, что напряжение на резисторе достигает максимума vR=9,46 В в момент t=125 мкс, а напряжение на катушке индуктивности в момент замыкания ключа круто нарастает — почти до vL=11,8 В, затем спадает до нуля и достигает минимума vL=-1,201 В при t=226 мкс. Эти графики показаны на рис. 6.11.

    Рис. 6.11. Временные диаграммы напряжений на элементах схемы на рис. 6.9 

    Критический переходной процесс в RLC-цепях

    Обратимся снова к схеме на рис. 6.9. Анализ показывает, что при критическом затухании

    Если оставить значения L и С прежними, то условие критического режима соблюдается при R=160 Ом. Чтобы увидеть результаты, просто измените значение R во входном файле и выполните анализ снова.

    Убедитесь, что ток достигает максимального значения i=55,36 мА при i=125 мкс. Удалите график тока и получите графики различных напряжений, как в предыдущем анализе. Эти кривые будут иметь тот же вид, что и при апериодическом процессе (рис. 6.12).

    Рис. 6.12. Графики напряжений в схеме (рис. 6.9) при критическом затухании

    Колебательный процесс в RLC-цепях при слабом затухании

    Чтобы исследовать процесс при слабом затухании, уменьшим сопротивление до значения меньшего, чем критическое (160 Ом). Проведем анализ при R=60 Ом. Изменим значение R во входном файле и рассмотрим график тока I(R). Убедитесь, что ток достигает максимума i=92,7 мА при t=111 мкс и становится сначала отрицательным, а затем снова положительным. Такой колебательный характер процесса типичен для случая слабого затухания. На рис. 6.13 показан график тока при колебательном процессе. Вы можете попробовать проанализировать процесс при меньших значениях сопротивления и выяснить влияние сопротивления на переходной процесс. Вы установите, что при меньших значениях R период колебаний увеличивается.

    Рис. 6.13. График тока в схеме (рис. 6.9) при малом затухании


    Удалите теперь график тока и получите графики напряжений V(1), V(3), V(2,3) и V(1,2). Эти графики показаны на рис. 6.14. Интересно отметить, что максимум напряжения на конденсаторе выше приложенного напряжения 12 В и достигается в момент минимума напряжения на катушке индуктивности. Наблюдая процесс при других значениях R, можно увидеть различные варианты взаимодействия составляющих напряжения, при этом, конечно, всегда соблюдается второй закон Кирхгофа.

    Рис. 6.14. Графики напряжений для режима с малым затуханием

    Отклик на ступенчатое воздействие в усилителях

    Определим, насколько похожа форма выходного напряжения на форму входного при подаче ступеньки напряжения на усилитель. Будем рассматривать усилитель как низкочастотный фильтр, схема которого показана на рис. 6.15.

    Рис. 6.15. Подача ступеньки входного напряжения на низкочастотный фильтр


    Выходное напряжение изменяется по экспоненте на фронте и срезе импульса. На фронте выходное напряжение изменяется по формуле

    vо = V(1 – e–t/RC).

    Время нарастания tr показывает, как быстро выходное напряжение может достичь максимума в ответ на ступеньку входного напряжения. Поскольку

    время нарастания

    Чтобы избежать излишних искажений, мы предлагаем выбирать fH=1/tp, где tp — ширина импульса. Это означает, что tr=0,35tp.

    Чтобы показать эти свойства при fH=20 кГц, выберем следующие параметры модели низкочастотного фильтра: R=10 кОм, С=796 пФ. Из уравнений найдем tp=50 мкс и tr=17,5 мкс. Выясните, насколько близки эти значения к полученным при анализе на PSpice. Входной файл:

    Pulse Response When fH=1/tp

    V 1 0 PWL(0,0 0.5us, 1V 50us, 1V 50.5us,0)

    R 1 2 10k

    N 2 0 7 9 6pF

    .TRAN 0.5us 100us

    .PROBE

    .END

    Выполните анализ и получите в Probe графики входного v(1) и выходного v(2) напряжений. Проверьте по графику выходного напряжения, что t0,1=1,1 мкс и t0,9=18,6 мкс. Они представляют собой моменты времени, когда выходное напряжение составляет 0,1 и 0,9 от максимального значения. Разность между ними представляет собой время нарастания, равное tr =17,5 мкс, что соответствует результатам наших предварительных вычислений. Этот график приведен на рис. 6.16.

    Рис. 6.16. Входное и выходное напряжения для схемы на рис. 6.15


    Что будет, если мы вдвое увеличим емкость по сравнению с рекомендуемым максимальным значением? Выполните анализ с новым значением С=1,592 нФ. Убедитесь, что выходное напряжение не достигает значения 1 В и к тому же более искажено.

    Сигнал передается гораздо лучше, когда емкость меньше рекомендуемого значения. Выполните анализ при С=398 пФ. Вы увидите, что в этом случае выходное напряжение намного правильнее воспроизводит прямоугольное входное напряжение. 

    Отклик на низкочастотное воздействие в усилителях

    При низкой частоте и, соответственно, большой длительности входных импульсов усилитель замещается высокочастотным фильтром (рис. 6.17), чтобы моделировать низкочастотный отклик усилителя. Уравнение для выходного напряжения:

    vo = Ve-t|RC.

    Рис. 6.17. Схема для исследования низкочастотного отклика


    Когда постоянная времени τ=RC слишком мала, выходное напряжение имеет нежелательный спад. Поскольку значение R определяется входным сопротивлением усилительного каскада и не может изменяться, значение С должно быть выбрано достаточно большим, чтобы избежать чрезмерного наклона. Выберем, например, R=1,59 Ом и С=10 мкФ и используем в качестве входного прямоугольное напряжение с частотой в 50 Гц. Входной файл для такого анализа: 

    Tilt of Square Wave for Low-Frequency Response

    V 1 0 PWL(0,0 1us, 1V 10ms, 1V 10.001ms,-12V 20ms,-1V

    +20.001ms,1V 30ms,1V)

    N 1 2 10uF

    R 2 0 1.59k

    .TRAN 0,15ms 30ms

    .PROBE

    .END

    Выполните анализ, затем получите графики v(1) и v(2). Найдите наклон выходного напряжения, сравнивая значения на фронте и на срезе импульса. Проверьте, что эти значения соответственно равны 1 и 0,533 В, создавая спад в 46,7%. Зачастую желательно, чтобы спад не превышал 10%. Очевидно, для этого необходимо увеличить значение емкости. Установите значение С=50 мкФ и выполните анализ снова. Проверьте, что спад не меньше чем 12%. Этот график показан на рис. 6.18.

    Рис. 6.18. Входное и выходное напряжении при исследовании низкочастотного отклика 


    В лаборатории реакция наблюдалась бы с помощью осциллографа, подключенного на выход усилителя при подаче на его вход прямоугольного напряжения соответствующей частоты.

    Цепи заряда конденсаторов

    Схема на рис. 6.19 содержит конденсатор в одной ветви и катушку индуктивности в другой. Источник напряжения подключается, чтобы зарядить конденсатор, затем он закорачивается.

    Рис. 6.19. Схема с индуктивной и емкостной ветвями


    Прежде чем выполнять анализ на PSpice, необходимо определить начальные напряжения и токи, при которых он будет проводиться. В команде описания для vs указано, что приложенное напряжение постоянно и равно 6 В при t<0. В схеме замещения для постоянных составляющих конденсатор представляет собой разрыв, а катушка индуктивности — короткое замыкание. Ток от источника в 6 В равен 6 В/3 Ом=2 А, а напряжение узла 1 равно 4 В и представляет собой напряжение на конденсаторе при t=0. Ток в 2 А проходит через R1, R2, и L. При t=0 приложенное напряжение vs= 0 В, и схема приобретает вид, показанный на рис. 6.20. Эта схема и анализируется на PSpice. Входной файл при этом

    Initial Conditions Example

    R1 0 1 1

    R2 1 2 2

    C 1 0 250mF IC = 4V

    L 2 1 21 IC=2A

    .TRAN 0.01ms 4s UIC

    .PROBE

    .END

    Рис. 6.20. Схема замещения для момента t = 0


    Входной файл содержит в команде ввода конденсатора С значение IС=4 В, которое задает начальное напряжение на конденсаторе; в команде ввода L имеется запись IС=2 А, которая задает начальный ток через L. Отметим, что для конденсатора может быть задано только начальное напряжение, а для катушки индуктивности —только начальный ток. В команду .TRAN добавлена запись UIC, которая означает, что анализ переходных процессов должен начинаться при определенных начальных значениях.

    Выполните анализ и получите графики напряжения на конденсаторе и на катушке индуктивности. Убедитесь, что при t=0,5 с, vc(0,5 с)=–0,860 В и vL(0,5 с)=-3,49 В. Графики показаны на рис. 6.21.

    Рис. 6.21. Графики напряжений на конденсаторе и катушке в схеме на рис. 6.20


    В качестве дополнительного упражнения получите графики токов конденсатора и катушки индуктивности. Убедитесь, что iC(0)=–6 А. Поскольку R1=1 Ом и R2=2 Ом, мы должны принять начальный ток через R1 вдвое большим тока через R2. Зададим начальный ток 4 А через R1 и ток 2 А через R2. Нарисуйте схему и покажите направления токов в различных ветвях. После получения графиков тока убедитесь, что при t=0,5 с tc(0,5с)=–0,457 и iL(0,5с)=1,316 А. Обратите внимание, что если на одном графике представлены две кривые, вы можете задать движение курсора по одной из них, выбрав Cursor и затем нажав мышью на маркер выбранной кривой. Например, можно нажать на значок перед v(2) под осью X, чтобы выбрать вторую кривую. 

    Прежде, чем выйти из программы Probe, получите графики токов через оба резистора. Убедитесь, что при t=0 iR1(0)=–4 А и iR2(0)=2 А. Учтите направления токов на рис. 6.20, чтобы определить их знаки (положительные и отрицательные). Графики напряжений на элементах схемы на рис. 6.20 приведены на рис. 6.21. 

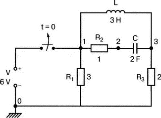
    LС-цепи при размыкании ключа

    Другая схема, в которой источник напряжения исключается из цепи при t=0, показана на рис. 6.22. Перед проведением анализа на PSpice найдем начальные условия. Имеется напряжение постоянного тока Vs=6 В, приложенное к схеме при t<0. При этом условии схемой замещения является параллельное соединение R1 и R2. При делении тока между ветвями получаются значения токов iR1=3 А и iR2=2 А. Последний ток проходит также через катушку L. Ток через R2 создает на этом сопротивлении напряжение:

    V(1,2) = R2IR2 = 3 Ом · 2 А = 6 В.

    Рис. 6.22. Цепь с ключом, размыкающимся при t = 0


    Это начальное напряжение на конденсаторе. Обратите внимание на полярность этого напряжения и направление начального тока катушки индуктивности. Схема замещения с учетом начальных условий, получающаяся после замыкания ключа, показана на рис. 6.23. Входной файл при этом приобретает вид:

    Switch-Opening Circuit with L, С

    R11 0 2

    R2 1 2 3

    N 1 2 4000mF IC=6V

    L 2 0 SH IC=2A

    .TRAN 0.01ms 16s UIC

    .PROBE

    .END

    Рис. 6.23. Схема замещения после размыкания ключа


    Проведите анализ и убедитесь, что при t=0, при разомкнутом переключателе vc(0) = 6 В и iL(В) = 2 А в соответствии с начальными условиями, зафиксированными во входном файле. Получив график v(2), проверьте также, что vL(0)=-10B и iL(0)=0.

    Как можно определить vL(0) после размыкания ключа с помощью простого схемотехнического анализа? Так как ток через катушку индуктивности в момент переключения неизменен, ток через R1 мгновенно становится равным 2 А (направлен вверх, к узлу 1), хотя до размыкания ключа он равен 3 А и направлен от узла 1 (вниз). Ток в 2 А создает падение напряжения 4 В с полярностью, показанной в рис. 6.23. Применение второго закона Кирхгофа к контуру, содержащему R1, С и L, дает vL(0)=-10 В, подтверждая результаты, полученные на PSpice. На рис. 6.24 показано напряжение v(1, 2), которое и является напряжением на конденсаторе vc.

    Рис. 6.24. График напряжения на R2 в схеме на рис. 6.23


    Прежде чем выйти из программы Probe, убедитесь, что токи и напряжения в момент t=2 с имеют следующие значения:

    vc(2 с) = 5,2778 В;

    vL(2 с) = –3,94 В;

    ic(2 с) = –2,428 А;

    iL(2 с) = –0,675 А.

    Токи показаны на рис. 6.25.

    Рис. 6.25. Графики токов в ветвях схемы на рис. 6.23

    Цепи с источником тока

    На рис. 6.26 показана схема с источником тока, обеспечивающим установившееся значение в ЗА при t<0. В момент t=0 ток становится равным 0. Прежде чем приступить к анализу на PSpice, определим начальные условия для L и С. До момента t=0 ток через R=3 А, в то время как ток через другую ветвь равен нулю, так как конденсатор С является разрывом для постоянного тока. Таким образом iL(0)=0. Падение напряжения на R равно 2×3 = 6 В, с полярностью, показанной на рис. 6.27. Поскольку при постоянном токе напряжение на L равно нулю, напряжение vc(0)=6 В. Приведенной информации достаточно, чтобы выполнить анализ на PSpice. Входной файл:

    Initial Conditions from Current Source

    R 1 0 2

    L 1 2 3H

    N 2 0 4000mF IC=6V

    .TRAN 0.001ms 24s UIC

    .PROBE

    .END

    Рис. 6.26. Схема с источником тока


    Рис. 6.27. Схема замещения для момента t = 0


    Выполните анализ и получите графики напряжений на резисторе и конденсаторе. Проверьте начальные условия для обоих напряжений. В качестве упражнения убедитесь, что для момента t1=4 с напряжения vc(t1)=4,2095 В и vR(t1)=4,5476 В. Можете ли вы сказать, каково будет напряжение vL(t1), не получая график напряжения vL?

    Используйте второй закон Кирхгофа, чтобы найти это значение. Напряжения на резисторе и конденсаторе показаны на рис. 6.28. Теперь получите график iC(t). Заметьте, что этот ток растет от нулевого начального значения до значения тока в катушке. Убедитесь, что iC(4 с)=–2,2738 А. Этот ток протекает через каждый элемент против часовой стрелки. Убедитесь также, что максимальный (по модулю) ток imax=-2,313 достигается при t=3,48 с.

    Рис. 6.28. Напряжения на элементах схемы на рис. 6.27 

    Мостовые схемы с ненулевым начальным током

    В схеме на рис. 6.29 ключ размыкается при t=0. Схема замещения до размыкания показана на рис. 6.30. В ней катушка индуктивности заменена коротким замыканием, при этом напряжения на R1 и R3 равны 6 В, что приводит к прохождению тока в 2 А через R1 и тока в 3 А через R3. Поскольку в ветви конденсатора ток отсутствует, ток в катушке индуктивности также должен быть равен 3 А. Так как напряжение V(1,3) равно нулю, то и vc равно нулю. Эта информация позволяет нам задать начальные условия для анализа на PSpice, приводя к следующему входному файлу:

    Switch Opening in Bridge Circuit

    R1 0 1 3

    R2 1 2 1

    R3 3 0 2

    L 1 3 3H IС = 3A

    N 2 3 2000mF

    .TRAN 0.001ms 16s UIC

    .PROBE

    .END

    Рис. 6.29. Схема с размыканием ключа в момент t = 0



    Рис. 6.30. Схема замещения для момента размыкания ключа (t < 0) 


    Проведите анализ и проверьте следующее: iC(0)=–2,5 A, iL(0)=3 А, iR3(0)=0,5 A, v12(0)=–2,5 В, v23(0)=0 и v13(0)=–2,5 В (здесь v12(0) означает v(1, 2) при t=0). Графики токов показаны на рис. 6.31, а графики напряжений — на рис. 6.32.

    Рис. 6.31. Графики токов в схеме на рис. 6.29


    Рис. 6.32. Графики напряжений в схеме на рис. 6.29 


    В качестве упражнения определите iC при t=0, воспользовавшись вторым законом Кирхгофа для контура, содержащего R1, R2, R3 и С

    Звенящий контур

    Определим реакцию на прямоугольное входное напряжение цепи, представленной на рис. 6.33. Входное напряжение резко изменяется от 0 до 1 В, затем в момент t=2 мс уменьшается на 2 В, достигая значения -1 В, затем в момент времени t=4 мс снова резко изменяется до 1 В. Задача состоит в том. чтобы определить, насколько точно напряжение на RL воспроизводит входное прямоугольное напряжение. Входной файл:

    Ringing Circuit

    Vs 1 0 PWL(0s, 0V 0.01ms, 1V 2ms, 1V 2.01ms, -1V 4ms, -1V 4.01ms, 1V)

    Rs 1 2 1

    L 2 3 10mН

    RL 3 0 333.3

    N 3 0 0.1uF

    .TRAM 0.0 5ms 6ms

    .PROBE

    .END

    Рис. 6.33. Звенящий контур


    График V(3), полученный в Probe, показан на рис. 6.34. Вы можете получить также график VS, чтобы увидеть разницу в этих двух графиках. Прежде чем выйти из Probe, удалите графики напряжений и получите графики для каждою из токов. Если вам интересно, получите также I(C). Графики токов должны дать вам лучшее понимание процессов в схеме. Проведите анализ снова, уменьшив на порядок емкость С, и сравните результаты.

    Рис. 6.34. Графики выходного напряжения в звенящем контуре

    Задачи 

    6.1. Параметры элементов схемы, показанной на рис. 6.35: V=10 B, R1=R=1 кОм и от С=200 мкФ. Получите график vc(t) на интервале от момента размыкания ключа до момента достижения напряжением на конденсаторе нулевого значения. Проведите необходимый анализ на PSpice и получите в Probe график vc.

    Рис. 6.35


    6.2. Параметры элементов для схемы на рис. 6.36: V=10 В, R1=R=100 Ом и L=2 Гн. Получите график vL(t) на интервала от момента размыкания ключа до момента снижения напряжения на катушке индуктивности до нуля. Проведите анализ на PSpice и получите в Probe график vL.

    Рис. 6.36


    6.3. Параметры элементов для схемы с двумя различными накопителями энергии, показанной на рис. 6.37: V=20 В, R=100 Ом, L=20 мГн и С=2 мкФ. Получите временную зависимость тока после размыкания ключа. Поскольку значение R в этой схеме соответствует слабому затуханию, график должен содержать, по крайней море, один полный период колебаний.


    Рис. 6.37 


    6.4. а) Увеличьте значение R в задаче 6.3, чтобы создать критическое затухание, и получите графики токов и составляющих напряжений. Найдите максимальные положительные и отрицательные значения токов.

    б) Задав значение R=250 Ом, повторите предыдущее задание а). Найдите максимальные положительные и отрицательные значения всех составляющих напряжений.

    6.5. На высоких частотах необходимо учитывать емкость на выходе усилителя напряжения. На рис. 6.38 выходная емкость составляет С=1 нФ и R=10 кОм. При амплитуде приложенного напряжения в 1 В и tp=100 мкс выходное напряжение должно быть достаточно близкой копией входного импульса.

    а) Используйте метод, описанный в разделе «Отклик на единичное воздействие в усилителях», чтобы определить характер выходного напряжения. Используйте Probe, чтобы выяснить, является ли выходной импульс напряжения на конденсаторе С достаточно близкой копией входного импульса.

    б) Если вы хотите получить более точную копию входного напряжения, попробуйте изменить значение tp и выполнить анализ снова. Каковы значения tH для пунктов а) и б) задания?

    Рис. 6.38


    6.6. При обсуждении низкочастотной реакции усилителя в этой главе мы установили, что обычно желательно, чтобы спад напряжения в конце импульса не превышал 10%. Приближенная формула для определения спада:

    где tL=1/(2πRC), а f — частота прямоугольного напряжения. Используйте методику, описанную в тексте, чтобы при воздействии прямоугольного напряжения с частотой 60 Гц найти следующее:

    а) относительный спад выходного напряжения при R=1,59 Ом и С=10 мкФ;

    б) значение С, которое требуется, чтобы создать относительный спад приблизительно в 10%?

    Проверьте ваши ответы с помощью графика, полученного в Probe.







     


    Главная | В избранное | Наш E-MAIL | Добавить материал | Нашёл ошибку | Наверх